设为首页
|
加入收藏
|
英文版
首页
關于美科
產品展示
美科服務
新聞動態
代理商信息
聯繫我們
產品封裝圖
=
特性分析
=
設計原則
=
SQS服務
=
ROHS認證
=
產品封裝圖
=
貼片代碼查找
商務合作
質量管理體系爲您提供有關我們公司、工廠的質量系統的全面縱覽。
服務熱線:
4008-378-873
分享到:
主頁
>
美科服務
>
產品封裝圖
>
產品封裝圖
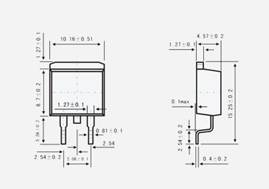
TO-263 (D2PAK)
时间:
2014-12-01 14:45
来源:
未知
作者:
admin